产品中心

产品力是根基,创新力是灵魂,服务力是保障

B轴摆头双主轴车铣复合中心

打破国外“卡脖子”的产品
功能强大的9轴5联动复合车铣
机床整体性能媲美国外进口机床
摇摆头可多轴联动进行车钻铣磨加工
独立式刀库结构,可装载40(80)把刀具
双主轴采用电主轴搭配冷却系统
主要部件均采用国际知名品牌
  • 技术参数
  • 床身主要构件说明
  • 车削性能
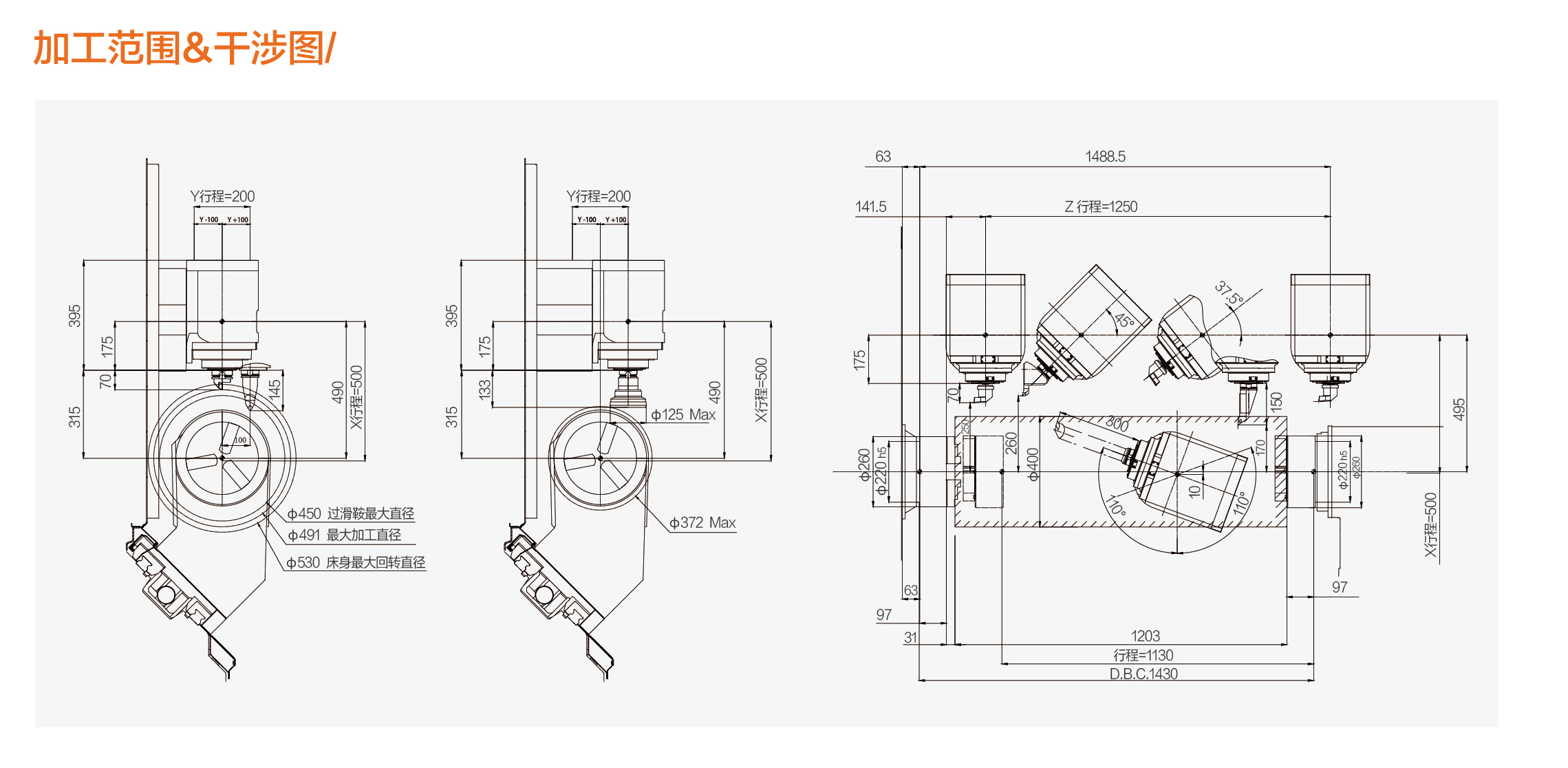
  • 加工范围&干涉图
  • 功率扭矩图表

小黄机数控综合样本-13

小黄机数控综合样本-121

小黄机数控综合样本-122

小黄机数控综合样本-12

小黄机数控综合样本-131

小黄机数控综合样本-132

首页       关于我们       产品中心       品质管制      解决方案       应用领域       联系我们

联系地址:江苏省东台市梁垛镇工业大道16号

联系邮箱:sales@xiaohuangjicnc.com

Copyright 2025 江苏小黄机数控科技有限公司, All Rights Reserved 

备案号:苏ICP备2025227610号-1

在线客服

在线客服

您好,我这边是在线客服

X